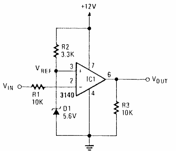
Encontrado numa Radio Electronics dos anos 90, este circuito emprega um operacional 3140, ainda comum em nossos dias. A tensão de referência é dada pelo diodo zener.

Encontrado numa Radio Electronics dos anos 90, este circuito emprega um operacional 3140, ainda comum em nossos dias. A tensão de referência é dada pelo diodo zener.
