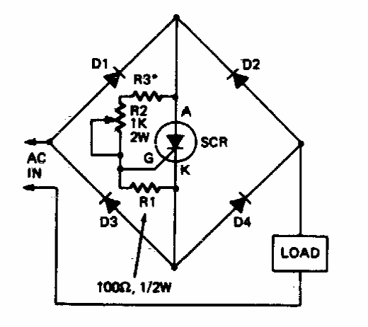
Este circuito com ponte de diodos foi encontrado numa documentação dos anos 70. Tanto o SCR como os diodos devem ser de acordo com a potência da carga controlada.

Este circuito com ponte de diodos foi encontrado numa documentação dos anos 70. Tanto o SCR como os diodos devem ser de acordo com a potência da carga controlada.
