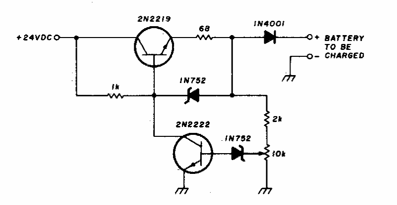
Este pequeno regulador com transistores pode fornecer correntes de 75 mA para a carga de baterias recarregáveis de NiCad. O circuito é da década de 90, usando componentes da época.
Este pequeno regulador com transistores pode fornecer correntes de 75 mA para a carga de baterias recarregáveis de NiCad. O circuito é da década de 90, usando componentes da época.