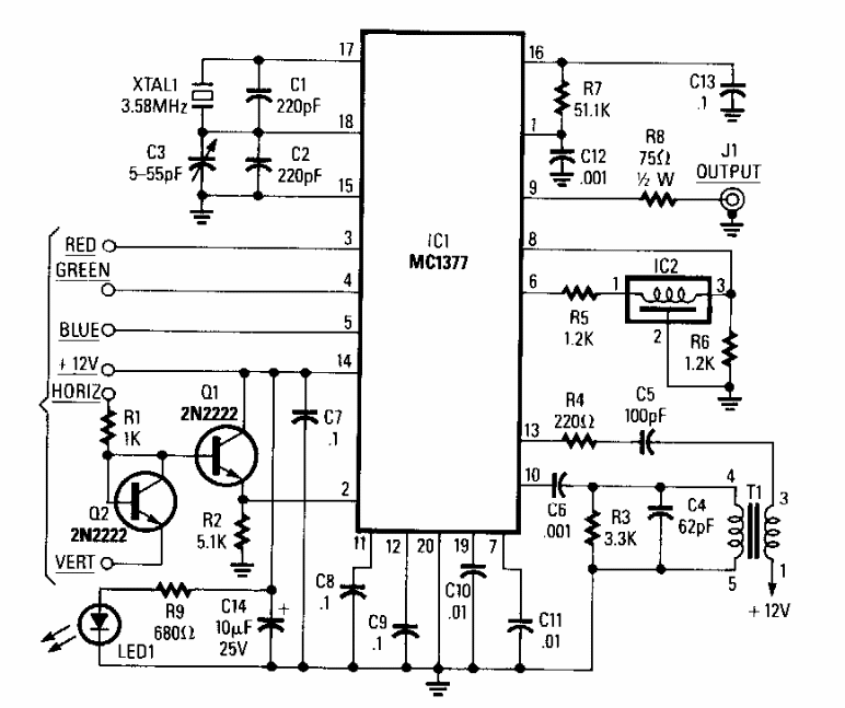
Este circuito foi encontrado numa Radio Electronics dos anos 90. O circuito integrado usado não é comum atualmente. O circuito é controlado a cristal.

 


| Clique na imagem para ampliar |

 

 

 

NO YOUTUBE


NOSSO PODCAST