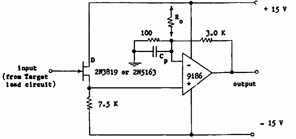
Encontrado numa documentação americana dos anos 70, este circuito se destina a amplificação de sinais de TV analógica de uma câmera do tipo vidicon.

 


| Clique na imagem para ampliar |

 

 

 

NO YOUTUBE


NOSSO PODCAST