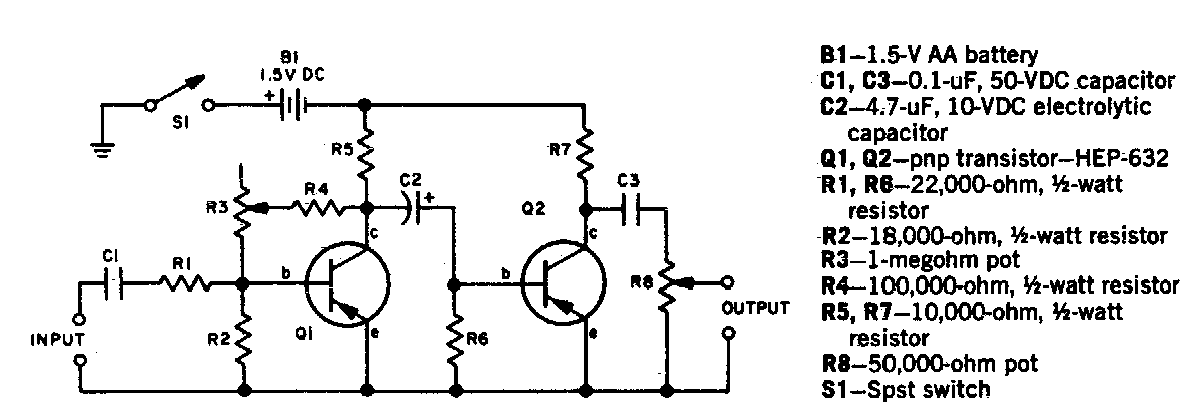
Encontrado numa documentação dos anos 80, este circuito pode ser elaborado com transistores equivalentes modernos. O circuito é alimentado por uma única pilha. Cabos de entrada e saída de sinal devem ser blindados.
Encontrado numa documentação dos anos 80, este circuito pode ser elaborado com transistores equivalentes modernos. O circuito é alimentado por uma única pilha. Cabos de entrada e saída de sinal devem ser blindados.