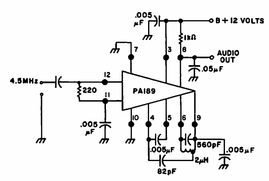
Encontramos este circuito em documentação da General Electric de 1968. O circuito integrado é da época, pouco comum atualmente.

 


| Clique na imagem para ampliar |

 

 

 

NO YOUTUBE


NOSSO PODCAST