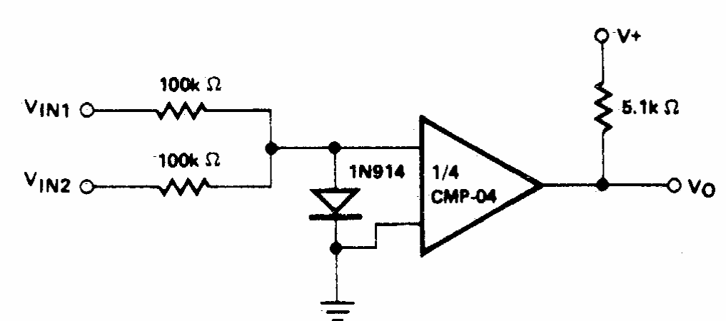
Este circuito foi encontrado numa documentação dos anos 80, fazendo uso de um comparador da época. A configuração também pode ser implementada com comparadores ou operacionais modernos.
Este circuito foi encontrado numa documentação dos anos 80, fazendo uso de um comparador da época. A configuração também pode ser implementada com comparadores ou operacionais modernos.