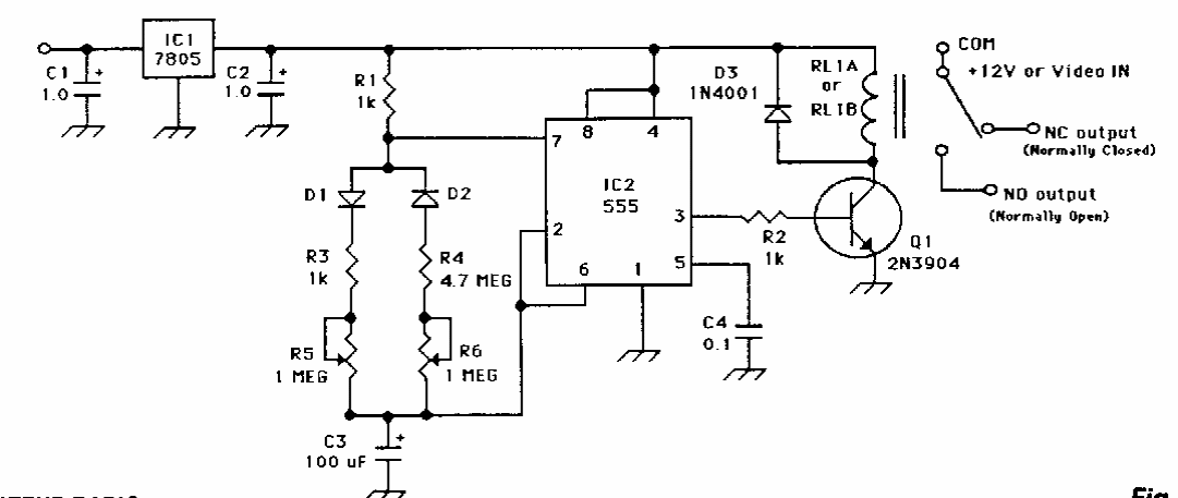
Encontrado numa revista 73 para radioamadores, este circuito tem dois ajustes, sendo um para o intervalor e o outro para o tempo de acionamento. O circuito é cíclico, abrindo e fechando o relé nos intervalos ajustados.
Encontrado numa revista 73 para radioamadores, este circuito tem dois ajustes, sendo um para o intervalor e o outro para o tempo de acionamento. O circuito é cíclico, abrindo e fechando o relé nos intervalos ajustados.