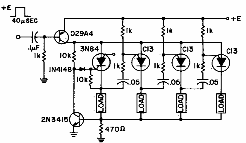
Este circuito, que aparece em outras versões neste site, foi obtido em documentação antiga. A carga de cada PUT depende de suas características. O circuito é de baixa frequência.

 


| Clique na imagem para ampliar |

 

 

NO YOUTUBE


NOSSO PODCAST