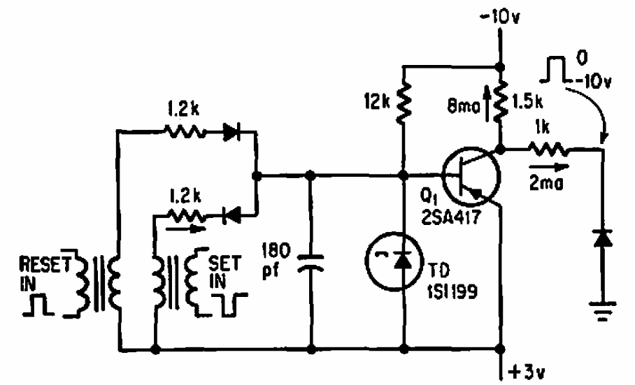
Usando diodo túnel, este circuito foi encontrado numa publicação americana de 1966. O circuito é para sinais amostrados numa velocidade de 8 000 sps.

 


| Clique na imagem para ampliar |

 

 

 

NO YOUTUBE


NOSSO PODCAST