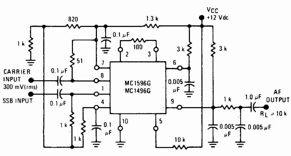
Encontrado em documentação da Motorola dos anos 80, este circuito emprega um integrado da época, pouco comum em nossos dias.

 


| Clique na imagem para ampliar |

 

 

 

NO YOUTUBE


NOSSO PODCAST