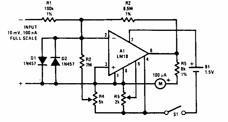
Este amplificador para instrumentação com alimentação de 1,5 V foi encontrado em documentação da National Semiconductor dos anos 90.

 


| Clique na imagem para ampliar |

 

 

 

NO YOUTUBE


NOSSO PODCAST