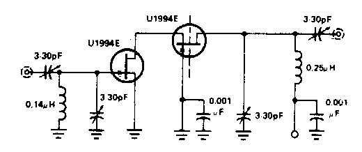
Este circuito foi encontrado em documentação dos anos 70. Podemos experimentar transistores JFET atuais.

 


 

 

 

 

NO YOUTUBE


NOSSO PODCAST