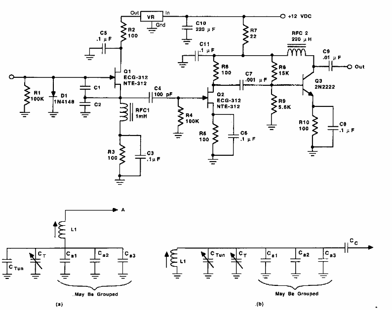
Encontramos este circuito numa revista 73 dos anos 90. Trata-se de circuito indicado para transmissores de radioamadores com as frequências determinadas pelos conjuntos de bobinas.

 


| Clique na imagem para ampliar |

 

 

NO YOUTUBE


NOSSO PODCAST