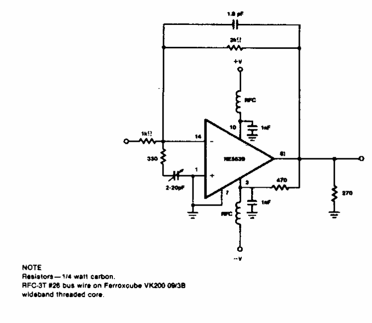
Este amplificador foi encontrado em documentação dos anos 70. O produto ganho x faixa passante é 350 MHz. O circuito integrado é da época, pouco comum atualmente.

 


| Clique na imagem para ampliar |

 

 

 

NO YOUTUBE


NOSSO PODCAST