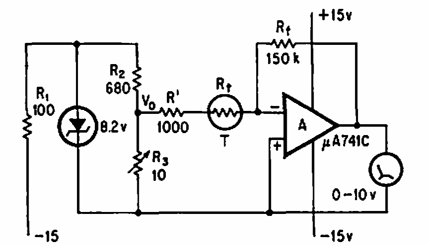
Este circuito para sensor de temperatura foi encontrado numa documentação americana antiga. Os componentes usados são ainda atuais.

 


| Clique na imagem para ampliar |

 

 

 

NO YOUTUBE


NOSSO PODCAST