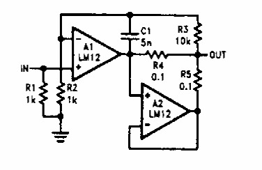
Na figura temos o modo de se ligar amplificadores operacionais em paralelo. O circuito é de um manual da National Semiconductor dos anos 90. A configuração vale para outros operacionais.

Na figura temos o modo de se ligar amplificadores operacionais em paralelo. O circuito é de um manual da National Semiconductor dos anos 90. A configuração vale para outros operacionais.
