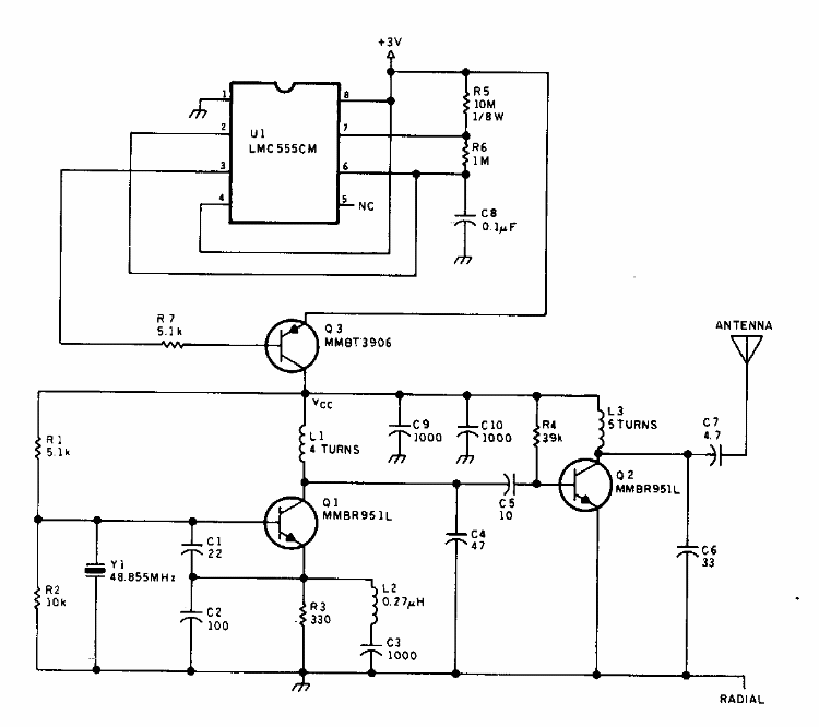
Encontrado numa revista 73 para radioamadores dos anos 90, este transmissor envia sinais de localização na faixa de VHF. A frequência depende da bobina, estando entre 54 e 100 MHz para 5 voltas de fio em forma de 0,5 cm sem núcleo.
Encontrado numa revista 73 para radioamadores dos anos 90, este transmissor envia sinais de localização na faixa de VHF. A frequência depende da bobina, estando entre 54 e 100 MHz para 5 voltas de fio em forma de 0,5 cm sem núcleo.