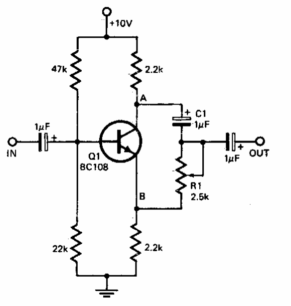
Este circuito desloca a fase de sinais de 600 Hz a 4 kHz. O transistor pode ser o equivalente moderno BC548. O circuito atua na faixa de 0 a 170º tipicamente.

Este circuito desloca a fase de sinais de 600 Hz a 4 kHz. O transistor pode ser o equivalente moderno BC548. O circuito atua na faixa de 0 a 170º tipicamente.
