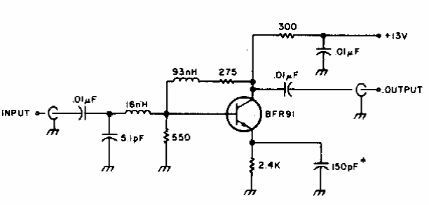
Este circuito amplifica sinais de 10 MHz a 500 MHz com um ganho de 10 dB. Encontramos numa documentação dos anos 80. O consumo é de 13 mA. O transistor admite equivalente.

Este circuito amplifica sinais de 10 MHz a 500 MHz com um ganho de 10 dB. Encontramos numa documentação dos anos 80. O consumo é de 13 mA. O transistor admite equivalente.
