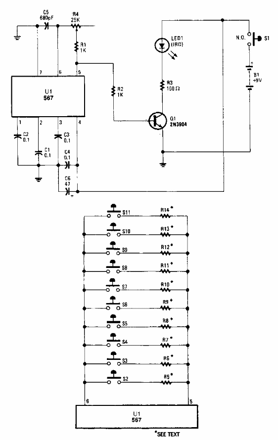
Este circuito é de uma Popular Electronics dos anos 90. O circuito tem uma rede moduladora de frequência de tom com base num PLL567. O número de canais é limitado pela seletividade do receptor.

Este circuito é de uma Popular Electronics dos anos 90. O circuito tem uma rede moduladora de frequência de tom com base num PLL567. O número de canais é limitado pela seletividade do receptor.
