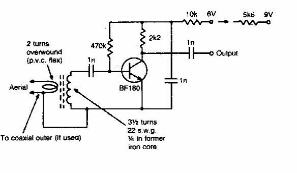
Este circuito se destina a amplificação de sinais de 85 a 95 MHz com os componentes indicados. Modificações nas bobinas podem ser feitas para operação em outras frequências.

Este circuito se destina a amplificação de sinais de 85 a 95 MHz com os componentes indicados. Modificações nas bobinas podem ser feitas para operação em outras frequências.
