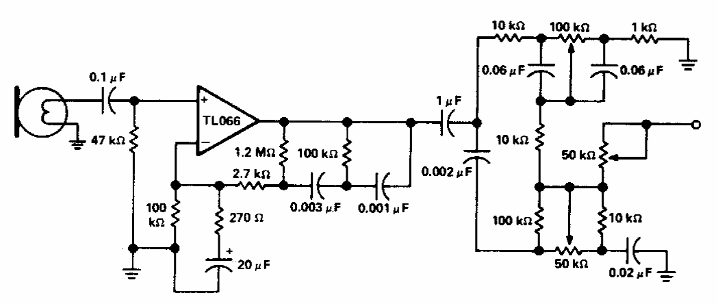
Este circuito foi encontrado numa documentação americana dos anos 80. O circuito integrado usado ainda é comum em nossos dias, mas podem ser usados equivalentes. A fonte deve ser simétrica.
Este circuito foi encontrado numa documentação americana dos anos 80. O circuito integrado usado ainda é comum em nossos dias, mas podem ser usados equivalentes. A fonte deve ser simétrica.