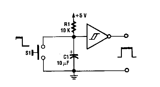
Este circuito usa qualquer função disparadora de acordo com a lógica associada. O circuito é de uma Electronics Now. Para TTL pode ser usado o 7414.

Este circuito usa qualquer função disparadora de acordo com a lógica associada. O circuito é de uma Electronics Now. Para TTL pode ser usado o 7414.
