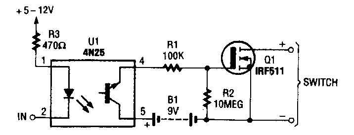
Encontramos este circuito numa Popular Electronics dos anos 90. O transistor de efeito de campo pode ser de qualquer tipo.

 


| Clique na imagem para ampliar |

 

 

 

NO YOUTUBE


NOSSO PODCAST