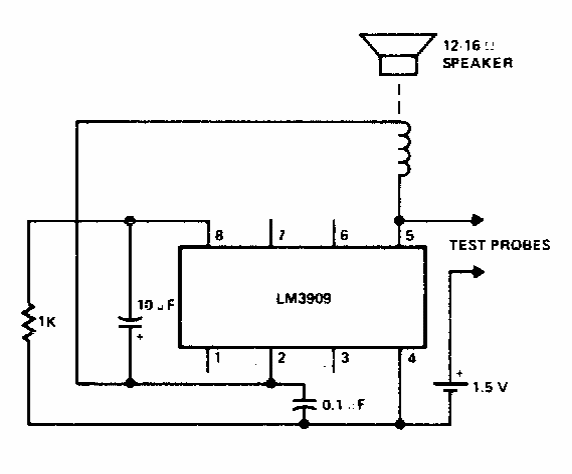
Este circuito também pode ser usado como provador de bobinas através do teste de sua continuidade. A alimentação é feita por uma única pilha pequena.

Este circuito também pode ser usado como provador de bobinas através do teste de sua continuidade. A alimentação é feita por uma única pilha pequena.
