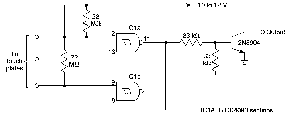
Encontrada numa documentação americana, esta chave tem por base o 4093. A carga determinará a tensão de alimentação. O transistor é de uso geral.

 


| Clique na imagem para ampliar |

 

 

 

NO YOUTUBE


NOSSO PODCAST