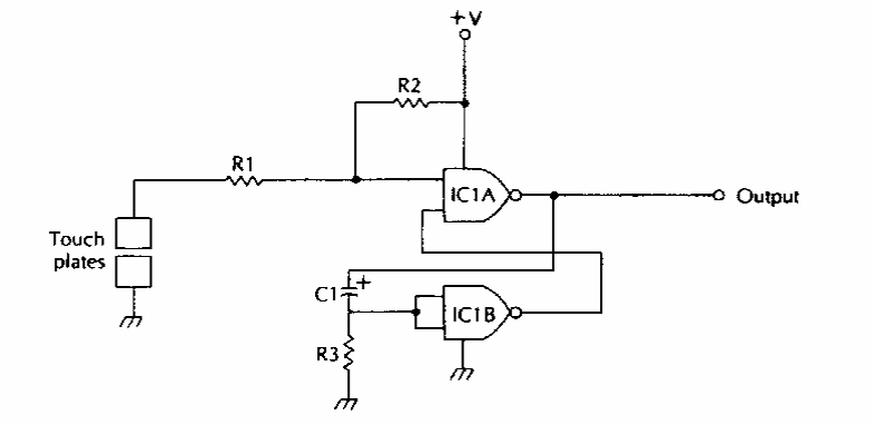
Este circuito temporizador foi encontrado numa documentação antiga. A tecnologia é CMOS. A alimentação pode ser feita com tensões de 3 a 12 V. O tempo depende de R1 e C1.
Este circuito temporizador foi encontrado numa documentação antiga. A tecnologia é CMOS. A alimentação pode ser feita com tensões de 3 a 12 V. O tempo depende de R1 e C1.