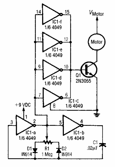
Este circuito para motores de baixa tensão foi encontrado numa Electronics Now dos anos 90. O transistor deve ser dotado de dissipador de calor.

Este circuito para motores de baixa tensão foi encontrado numa Electronics Now dos anos 90. O transistor deve ser dotado de dissipador de calor.
