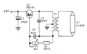
Este circuito é um oscilador Hartley, mas de potência, sendo capaz de elevar a tensão de 12V de uma bateria para valores entre 200 e 500V o suficiente para acender lâmpadas fluorescentes. A base é um transistor PNP de potência que converte a tensão contínua da bateria em alternada de modo que ela "passe" pelo transformador. O ajuste do ponto de maior rendimento é feito em P1 e lâmpadas mesmo fracas de 5 a 40 watts podem ser usadas neste inversor. Lembramos que na montagem final, o transistor deverá ser montado num radiador de calor de pelo menos 5 x 5 cm.

 


 

 

 

 

NO YOUTUBE


NOSSO PODCAST