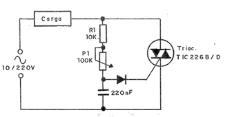
O circuito que veremos a seguir, utiliza um elemento da família dos semicondutores que ainda não é conhecido dos leitores que estão lendo em sequência este livro. Trata-se do Diac, que será abordado em detalhes no próximo item. Podemos adiantar, que o diac melhora as características de disparo do triac, produzindo os pulsos de alta corrente que ele precisa para um disparo com uma tensão maior que os 2 V normais. O componente formado por um diac e triac no mesmo invólucro recebe o nome sugestivo de "quadrac". O circuito de nosso controle de potência que pode ajustar o brilho de lâmpadas de até 500 watts e a velocidade de motores de até 1/2 HP é mostrado na figura.
















