Principal
Aprendendo Online
Automação
Bancada de Reparação
Circuitos
Dicas
Livros Técnicos
Novidades
Projetos e Artigos
Revistas
mais ...
Pesquisar
Pesquisar
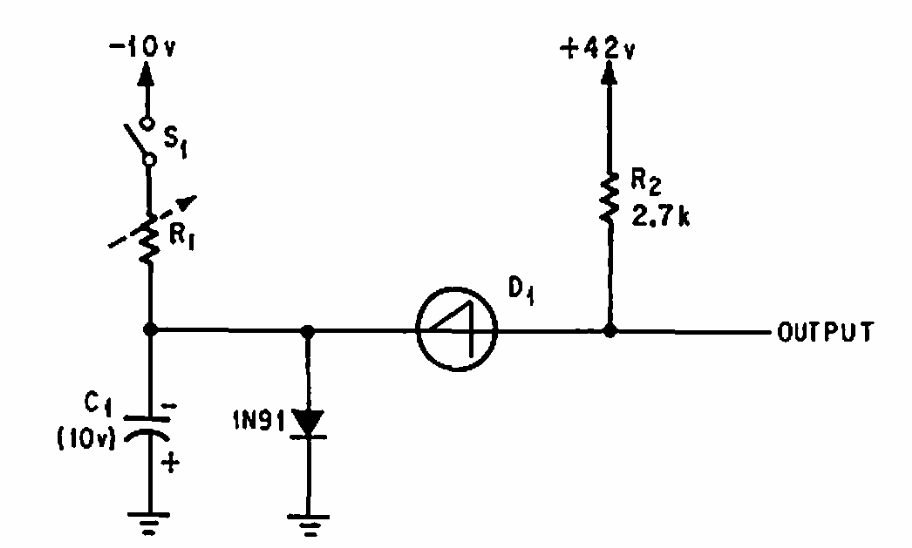
Alargador de pulsos CIR20784S CB21436E (CIR20881)
Detalhes
Escrito por:
Newton C. Braga
Este circuito foi encontrado numa documentação antiga. D1 pode ser um diac.
| Clique na imagem para ampliar |
Últimas Notícias
De Assadeira a Placa de Circuito: Lasers Transformam Papel-Manteiga em Eletrônicos (NS011)
A Próxima Fronteira: O Salto Quântico da Inovação Brasileira que Quer "Hackear" as Leis da Física (NS010)
Além da Terra: A tecnologia da USP que monitorou o bem-estar dos astronautas em missão à Lua (NS009)
Última Edição
Buscador de Datasheets
N° de Componente
NO YOUTUBE
NOSSO PODCAST
Recentes
De Assadeira a Placa de Circuito: Lasers Transformam Papel-Manteiga em Eletrônicos (NS011)
Revista Mecatrônica Jovem - Edição 26 - Música
A Próxima Fronteira: O Salto Quântico da Inovação Brasileira que Quer "Hackear" as Leis da Física (NS010)
Relé ativado por som V2347S (V2885)
Banco de Circuitos
Milivoltímetro DC CIR15333S CB8213E (CIR18303)
Opto controle para triac CIR20967S CB20552E (CIR22252)
Limitador de áudio CIR24708S CB24757E (CIR25232)
Decodificador estéreo CIR24954S CB24991E (CIR25876)
Fonte Automotiva para PS2 (CIR24059)