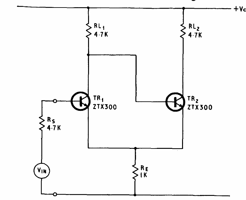
Encontramos este circuito no manual de transistores Ferranti de 1974. Os transistores são da época, sendo tipos de uso geral.

 

 


| Clique na imagem para ampliar |

 

 

 

NO YOUTUBE


NOSSO PODCAST