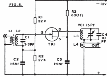
Encontrado numa documentação inglesa antiga este circuito pode ser elaborado com um BF245 ou equivalente. As bobinas são de acordo com a faixa de FM ou outra.

Encontrado numa documentação inglesa antiga este circuito pode ser elaborado com um BF245 ou equivalente. As bobinas são de acordo com a faixa de FM ou outra.
