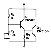
Encontrado numa EEE de 1970 este circuito emula um diodo zener cuja tensão pode ser ajustada em R2. A potência depende dos transistores utilizados.

Encontrado numa EEE de 1970 este circuito emula um diodo zener cuja tensão pode ser ajustada em R2. A potência depende dos transistores utilizados.
