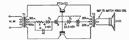
Obtido num livro de Rufus Turner de 1954, esta etapa amplificadora com os transistores PT2A oferece uma saída de algumas dezenas de miliwatts. O circuito pode ser adaptado para usar transistores modernos.

Obtido num livro de Rufus Turner de 1954, esta etapa amplificadora com os transistores PT2A oferece uma saída de algumas dezenas de miliwatts. O circuito pode ser adaptado para usar transistores modernos.
