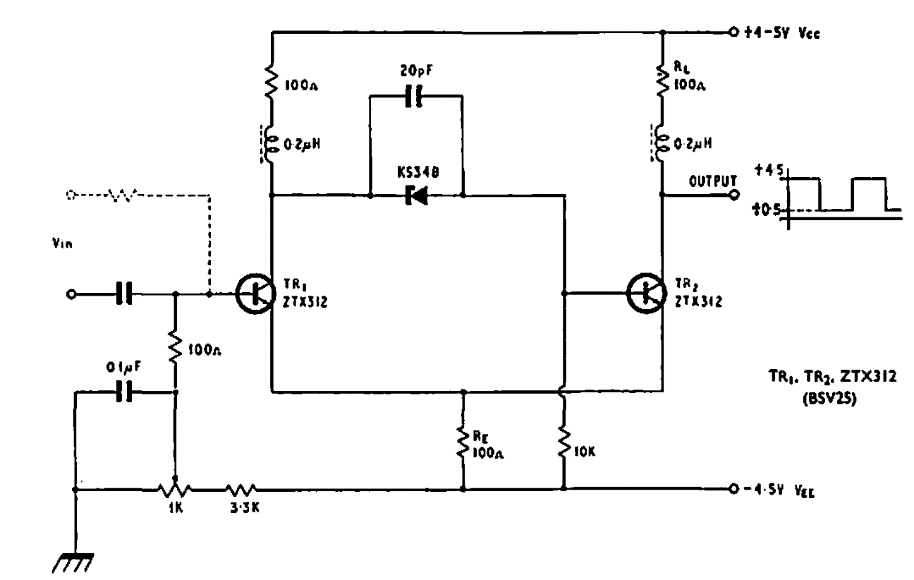
Este disparador Schimitt foi encontrado numa documentação da Ferranti de 1969. Os transistores podem ser equivalentes modernos.

 


| Clique na imagem para ampliar |

 

 

 

NO YOUTUBE


NOSSO PODCAST