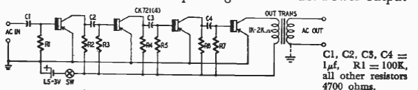
Encontrado numa documentação americana sobre transistores de 1954, este amplificador de 4 transistores usa o CK721, um dos primeiros transistores comerciais do mercado.

Encontrado numa documentação americana sobre transistores de 1954, este amplificador de 4 transistores usa o CK721, um dos primeiros transistores comerciais do mercado.
