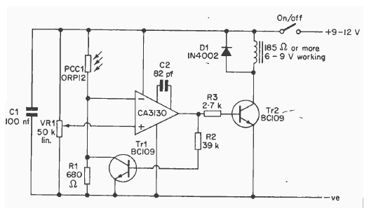
Este circuito com o CA3130 tem um sistema de realimentação com funcionava como trava. O circuito é de uma publicação de 1977. O relé éde acordo com a tensão de alimentação.

Este circuito com o CA3130 tem um sistema de realimentação com funcionava como trava. O circuito é de uma publicação de 1977. O relé éde acordo com a tensão de alimentação.
