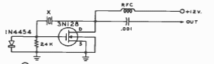
Esta configuração de oscilador com transistor MOS foi encontrada num Radio Handbook de 1977. A frequência depende do cristal utilizado.

Esta configuração de oscilador com transistor MOS foi encontrada num Radio Handbook de 1977. A frequência depende do cristal utilizado.
