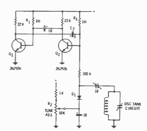
Na figura temos um circuito para varredura de frequência encontrado num Radio Handbook de 1977. O diodo é um varicap e o circuito sintonizado depende da frequência que se deseja cobrir.

Na figura temos um circuito para varredura de frequência encontrado num Radio Handbook de 1977. O diodo é um varicap e o circuito sintonizado depende da frequência que se deseja cobrir.
