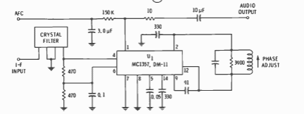
Este circuito foi encontrado num manual americano de 1977. O circuito integrado é da época. Os valores dos componentes dependem da faixa de frequências.

Este circuito foi encontrado num manual americano de 1977. O circuito integrado é da época. Os valores dos componentes dependem da faixa de frequências.
