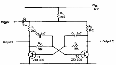
Este circuito, para biestáveis lentos foi encontrado no manual de transistores da Ferranti de 1974. Os transistores são de uso geral e a taxa máxima de operação chega aos 50 kHz.

Este circuito, para biestáveis lentos foi encontrado no manual de transistores da Ferranti de 1974. Os transistores são de uso geral e a taxa máxima de operação chega aos 50 kHz.
