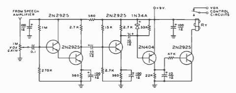
Este relé de som foi encontrado numa documentação americana de 1977. O relé determina a alimentação do circuito. Os transistores são tipos comuns na época.

Este relé de som foi encontrado numa documentação americana de 1977. O relé determina a alimentação do circuito. Os transistores são tipos comuns na época.
