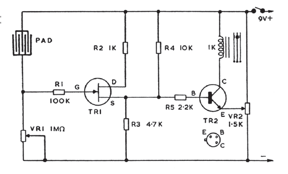
Encontramos este sensível detector de umidade numa documentação antiga. O circuito usa um JFET comum e o transistor pode ser um BC548 ou equivalente. A tensão de alimentação é de acordo com o relé.

Encontramos este sensível detector de umidade numa documentação antiga. O circuito usa um JFET comum e o transistor pode ser um BC548 ou equivalente. A tensão de alimentação é de acordo com o relé.
