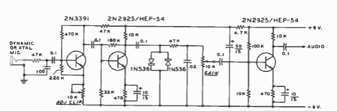
Este circuito é indicado para modulação de transmissores AM. O circuito é de uma documentação para radioamadores de 1977. Os transistores são tipos comuns na época.

Este circuito é indicado para modulação de transmissores AM. O circuito é de uma documentação para radioamadores de 1977. Os transistores são tipos comuns na época.
