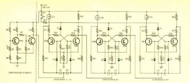
Este circuito experimental didático foi encontrado numa Eletrônica Popular de maio de 1968. Os transistores são de uso geral da época. As lâmpadas podem ser substituídas por LEDs numa versão moderna.


Este circuito experimental didático foi encontrado numa Eletrônica Popular de maio de 1968. Os transistores são de uso geral da época. As lâmpadas podem ser substituídas por LEDs numa versão moderna.

