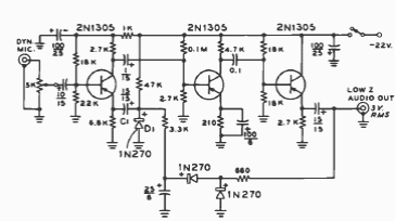
Este circuito foi encontrado numa publicação para radioamadores de 1977. Os transistores são tipos comuns de uso geral da época.

Este circuito foi encontrado numa publicação para radioamadores de 1977. Os transistores são tipos comuns de uso geral da época.
