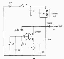
Este circuito gera um sinal de 1 MHz para calibração de equipamentos em geral. O circuito é de uma documentação americana de 1977.

Este circuito gera um sinal de 1 MHz para calibração de equipamentos em geral. O circuito é de uma documentação americana de 1977.
